Pallet truck with scale 2500 kg

Accuracy of the display unit is 0,5 kg with large liquid crystal display with tare. Equipped with four sensors allowing weighing of individual packages as well. Automatic power off function saves the battery. 210° turning angle enables easy moving and the maintenance-free hydraulics unit ensures ca

Show more

excl. VAT
Part code:

Accuracy of the display unit is 0,5 kg with large liquid crystal display with tare. Equipped with four sensors allowing weighing of individual packages as well. Automatic power off function saves the battery. 210° turning angle enables easy moving and the maintenance-free hydraulics unit ensures care-free use. 

Auxiliary wheels in front of and behind the bogies help getting under the pallets and speed up the work.

  • Features: Screen IP5x | PU-wheels
  • Marking: CE-marked

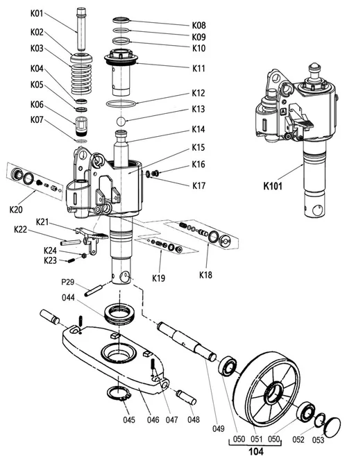
SPARE PARTS

Spare part (product code) Description Suitable for pallet truck (product code)
HAVA2500VAKKUS Spare part battery | Part no. A40 HAVA2500V
HAVA2500VLATURIS Charger for scale display unit | Part no. A39 HAVA2500V
HAVA2500VNAYTTOS Scale display unit | Part no. A35 HAVA2500V
HAVA2500VTELIRUNKOS Frame for fork wheels | Part no. AY09 HAVA2500V
HAVA25VISOS Steering (big) wheel, incl. bearings | Part no. 051 + 050 HAVA2500V
HAVA25VTELIS Fork (loading) wheel, incl. bearings | Part no. AY11 + A10 HAVA2500V
Also other spare parts available with a delivery time, ask our sales for more information

Pallet truck with scale 2500 kg
Pallet truck with scale 2500 kg
Pallet truck with scale 2500 kg
Download Document